凱能H型鰭片管的規格

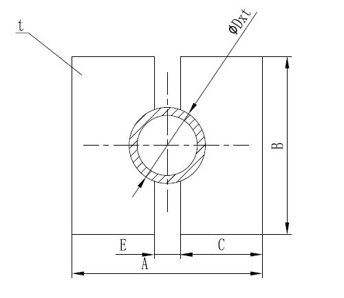
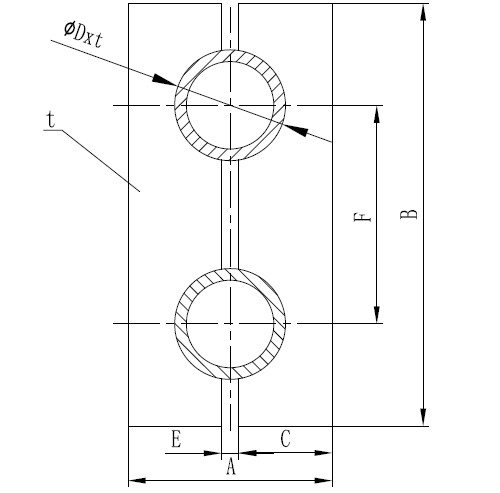
H形鰭片管是把兩片中間有圓弧的鋼片對稱地與光管焊接在一起形成翅片,其正面形狀頗像字母“H”,故稱為H形鰭片管。H形鰭片管的兩個翅片為矩形,近似正方形,其邊長約為光管直徑的2倍。根據單個翅片焊接基管的數量,H形鰭片管可分為單H形鰭片管、雙H形鰭片管和4H形鰭片管管。

凱能科技自有專利技術的H型鰭片管自動焊接生產線12條,常規加工的單H形鰭片管包括70mmX70mm、75mmX75mm和95mmX89mm等多種規格。

雙H型鰭片管規格有70mmX145mm、95mmX181mm和121mmX248mm等多種尺寸規格。
當然,除以上常規規格外,也可以根據客戶要求的規格尺寸做H形鰭片管定制加工,歡迎來電詳詢。
如果您對翅片管感興趣,請致電凱能科技,我們將竭誠為您服務!

客服是企業與顧客之間建立信任的渠道之一。
在這里,我們將為您提供熱情、周到的服務,
為您帶來舒適愉快的購物體驗。
![]()

以上文章來源于青島凱能環保科技股份有限公司(m.brandpackaging.cn)
專注節能環保20年,轉載請注明出處。
下一篇:四種冶煉企業常見的余熱利用方式上一篇: 進口煙溫對余熱鍋爐的影響有哪些?
此文關鍵字:H型鰭片管
產品推薦
同類文章排行
- 工業窯爐煙氣余熱回收,挖掘隱藏的“能源金礦”
- 干熄焦余熱鍋爐:賦能綠色焦化,鑄就多維價值典范
- 內燃機煙氣余熱發電:化工業廢氣為綠色電能
- 余熱鍋爐在發電機組中的關鍵角色與多元用途
- 變廢為寶:焦化爐煙氣余熱回收技術解析
- 玻璃窯爐煙氣余熱利用:亟待挖掘的能源富礦
- 工業硅礦熱爐余熱鍋爐的應用與價值
- 凱能科技余熱鍋爐:多行業節能升級的核心動力
- 鐵合金煙氣余熱回收利用:綠色轉型新引擎
- 工業硅礦熱爐余熱鍋爐:賦能工業硅生產的 “節能利器”












魯公網安備 37028102000404號